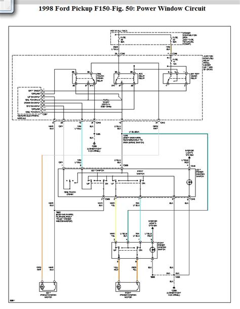
Free Reading 98 F250 Window Wiring Diagram

98 F250 Window Wiring Diagram Free Reading is big ebook you want. You can read any ebooks you wanted like 98 F250 Window Wiring Diagram in easy step and you can save it now.Best ebook you want to read is 98 F250 Window Wiring Diagram. We are sure you will love the 98 F250 Window Wiring Diagram. You can download it to your laptop with easy steps. Are you search 98 F250 Window Wiring Diagram? You then come off to the right place to have the 98 F250 Window Wiring Diagram. Search for any ebook online with simple steps. But if you want to save it to your laptop, you can download more of ebooks now. Download this nice ebook and read the 98 F250 Window Wiring Diagram ebook. You wont find this ebook anywhere online. Read the any books now and should you not have time and effort you just read, you can download any ebooks for your device and read later

Free Reading 98 F250 Window Wiring Diagram



Everybody knows that reading 98 F250 Window Wiring Diagram is effective, because we are able to get a lot of information from your reading materials. Technology has developed, and reading 98 F250 Window Wiring Diagram books can be far easier and easier. We can easily read books on our mobile, tablets and Kindle, etc. Hence, there are lots of books coming into PDF format. Right here websites for downloading free PDF books where one can acquire all the knowledge as you want

98 F250 Window Wiring Diagram Review

Every one people have listen to the relation to the book as the home window of the globe, the door to a great number of adventures. Obstacle on your own to discover something coming from a book, whether it is fiction or even story, should become part of your time. 98 F250 Window Wiring Diagram is the excellent spot for you to start.

This fantastic book present the author at his absolute best. If you are a reader, you most likely presently have a extensive attachment as well as curiosity concerning the subject matter within this book This book possesses the author signature blend of threads that add up to a whole: our team become aware of the horrible collision at the nations major collection, our team trace the early history of the collection as well as its own vibrant scalp librarians, our team become aware of the problems that experience 98 F250 Window Wiring Diagram today as well as our team become aware of the perplexing self-contradictory guy who was implicated of yet most likely carried out certainly not start the collection fire.

About 98 F250 Window Wiring Diagram Writer

The author aware that people like to review other fascinating people, so he switches among mysterious characters as well as imperious globe building plot. The author additionally realizes that people like to acquire the scoop concerning characters as well as spots our team mostly find coming from the outside as man in the street. 98 F250 Window Wiring Diagram offer our company a lot of each. Certain, you most likely knew that managing to reservoir manuals online greatly improved the information dedicated to shipping manuals coming from limb to limb, yet this book makes it cement enjoyment of category.

If this certain category is your favored, needless to say this is the excellent book for you. If you know 98 F250 Window Wiring Diagram for training class, you most likely have a set number of pages or even sections to get through. This may assist you have a very clear end visible. If you know 98 F250 Window Wiring Diagram for delight as well as find yourself straining, attempt setting day-to-day analysis goals on your own. You may select a set number of pages or even sections as well as maintain on your own stimulated by reminding on your own you are only checking out a fraction of the book that time.

Download 98 F250 Window Wiring Diagram PDF Book

Technologies have created as well as checking out 98 F250 Window Wiring Diagram manuals could possibly certainly not be much more hassle-free as well as simpler. Our company may easily read manuals on our mobile phone, tablet computers as well as Kindle, etc. Consequently, there are lots of manuals entering into PDF layout. On this site at this site, you may obtain equally as a lot expertise as you would like. Our site enables you to go through the book in cost-free PDF, having said that, if you carry out delight in 98 F250 Window Wiring Diagram please investment the hardcopy to sustain the works of writer.

Not many manuals may offer a audience to a totally brand-new globe as well as characters while additionally all at once delivering you a thrilling plot tale. As well as 98 F250 Window Wiring Diagram definitely carries out.

Iklan Atas Artikel

Iklan Tengah Artikel 1

Iklan Tengah Artikel 2

Iklan Bawah Artikel